Envie-nos um e-mail

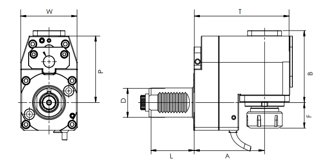
Cabeça movida a rádio VDI, offset, DIN 5482

Compre Cabeça movida a rádio VDI, offset, DIN 5482

ESPECIFICAÇÃO DA CABEÇA CONDUZIDA RADIAL VDI, OFFSET, DIN 5482

ESPECIFICAÇÃO DA CABEÇA CONDUZIDA RADIAL VDI, OFFSET, DIN 5482

TamanhoVDIColletUmBFLPTWNmRPMRefrigeraçãoI(rev.)
VDI30-DORER25-75-40 DIN548230ER25757140454810164286000Não1:1
VDI30-DORER25K-75-40 DIN548230ER25757440454810164286000Sim1:1
VDI40-DORER25-120-37 DIN548240ER2512092375371125,575604000Não1:1
VDI40-DORER25K-120-37 DIN548240ER2512095375371125,575604000Sim1:1
VDI40-DORER32-120-41 DIN548240ER3212092415371125,575604000Não1:1
VDI40-DORER32K-120-41 DIN548240ER3212095415371125,575604000Sim1:1


CONTATO BRILHANTE-FERRAMENTAS
Endereço:
253000, Chongde 5th Avenue, Gaotie New District, Dezhou, Shandong, China.
OBTENHA SUA CONSULTA LIVRE
Brilhante-ferramentas, brilhante-futuro
Endereço :
253000, Chongde 5th Avenue, Gaotie New District, Dezhou, Shandong, China.
Links rápidos
Empresa Casa Suportes de ferramentas CNC Vídeos Sobre as ferramentas brilhantes Adaptador BT para PSC 2025-BRIGHT-Catálogo de FERRAMENTAS Suportes de ferramentas DIN69880-VDI Suportes de ferramentas Morse Suportes de ferramentas chatos Adaptador SK para PSC Adaptador HSK para PSC Máquina ajustada do psiquiatra, padrão O que são titulares de ferramentas BMT? AG90 AGU Suporte de ferramenta de viragem Suporte de ferramenta de viragem Os mandris estendidos do ajuste do psiquiatra estão disponíveis no estoque Hannover-2023_copy20241023 EMO Produtos | Collet Hidráulico Atualizado e Novo! Chuck ER Collet com porca UM BBT ER Collet Chuck com Porca de UM MTA Morse Taper ER Collet Chuck Collet ER BT Puxar Stud B1A Radial, Curto, Refrigerante DIN 69871 ER Collet Chuck com Porca de UM ANSI B5.50 ER Collet Chuck com Porca de UM DIN 69893 (ISO 12164) HSK-E ER Collet Chuck DIN2080 ER Collet Chuck com Mini Porca Suporte de ferramenta de torneamento BMT OD Suportes de barra chatos HSK, NBT ER Collet Chuck ER Collet Chuck sem Drive Slots com Hex Nut JIS B 6339 Suporte de ferramenta chato Porca ER-UM ER Spanner-Hex Suportes de ferramentas Bucha Tipo B MTB Morse Taper ER Collet Chuck Manga de redução para suporte de barra chato AG90-ER11 Como bloquear os suportes de ferramentas SLA Suporte da ferramenta Quantos métodos de fixação? Seu suporte de ferramenta SLA Por que é tão caro? Suportes de ferramentas de ferramentas brilhantes combinam com outro suporte de ferramenta de marca ADOPTER MOD-MUDANÇA Tempo de instalação do Adatper do suporte da ferramenta Processo de operação Máquinas de calor Este vídeo é uma explicação detalhada da nossa máquina de limpeza cônica do porta-ferramentas 2 peças BT Slim Shrink Fit Chuck BT Shrink Chuck, 3 °, Slim, Form A BT Shrink Chuck, 3 °, Slim, Forma B BT Shrink Chuck, 3 °, Regular, Formulário A HSK-A Shrink Chuck, 3 °, Regular, Forma A BT Shrink Chuck, 3 °, Regular, Formulário B BT Shrink Chuck, 3 °, Regular, Refrigerante Cabeça movida a eixo BMT, DIN 1809 DESENHO TÉCNICO DE TG COLLET CHUCK Extensão do Chuck do Encolher Suporte de moinho de rosto Produtos Ferramentas estáticas e acionadas Ajuda Técnica Suportes de ferramentas BRIGHT-TOOLS Collet Suportes de ferramentas chatos Acessórios Suportes de ferramentas DIN69880-VDI refrigerante 2025-BT Ferramentas Máquina de Encolher Fit, Refrigeração Suporte de ferramenta DIN69880-VDI Chuck com porca Hex ER Collet BT40 SFS 06 160 3 ° Suportes de ferramentas CNC/suportes de ferramentas ER Conjunto de Collet ER SK Puxar Stud MTA Morse Taper OZ Collet Chuck DIN 69871ER Collet Chuck com Hex Nut ANSI B5.50 ER Collet Chuck com porca Hex DIN 69893 (ISO 12164) Suportes de moinho de face HSK-E DIN2080 ER Collet Chuck com Porca de UM BBT ER Collet Chuck com Hex Nut B2A Radial, Curto, Refrigerante Ferramentas de torneamento SKT SBH para externo e de frente ER Collet Chuck sem Drive Slots com MS Nut Cabeça com tração radial BMT, DIN 1809 DIN 69871 Suporte de ferramenta chato Porca ER-Hex ER Spanner-Mini Suportes de ferramentas Bucha Tipo J Padrão de carrinho de suporte de ferramenta MTB Morse Taper OZ Collet Chuck Manga de redução para SL40-20 de suporte de barra chato Dispositivo de bloqueio para porta-ferramentas cônicos 7/24 e HSK AG90-ER16 AG90-ER20 AG90-ER25 AG90-ER32 AG90-ER40 AG90-BT30 AG90-BT40 AGB-BT40 AG90-BT50 AG90-ER16X2 AG90-ER20X2 AG90-ER25X2 AG90-ER32X2 AG90-ER40X2 AG90-BT40X2 AG90-F50 AG90-F63 AG90-F80 AG90-F100 AGU-ER16 AGU-ER20 AGU-ER25 AGU-ER32 AGU-BT50 Você quer estar brilhando de você titulares de ferramentas? Plz escolher nossos dispositivos de limpeza Processo de operação da máquina retrátil de calor Encolher Chuck Extensão Slim HSK-A Shrink Chuck, 3 °, Slim, Form A HSK-A Shrink Chuck, 3 °, Slim, Forma B HSK-E Shrink Chuck, 3 °, Regular, Forma A HSK-A Shrink Chuck, 3 °, Regular, Formulário B Vantagens Empresa Ferramentas chativas Notícias de quebra! Aí vem o braço robótico! Puxe o pino Suporte de ferramenta BMT 2025-SK Ferramentas Suporte de ferramenta Adatper manga Máquina de Encolher Fit, Refrigeração Chuck hidráulico BT, padrão Introdução de porta-ferramentas termoencolhíveis ISO 7388 Puxar Stud Suportes de moinho de face cônica MTA Morse Forma de suporte radial B1 direita, curta ER Collet Chuck com Mini Porca DIN 69871 ER Collet Chuck com Mini Porca DIN 69893 (ISO 12164) HSK-E suportes de moinho de extremidade Weldon DIN2080 Power Milling Chuck B3A Radial, Curto, Refrigerante Ferramentas de torneamento SKT SBV para externo e corte NBT SKS Collet Chuck ER Collet Chuck sem Drive Slots com Porca UM BMT Double OD Turning Tool Block DIN 69893 Ferramenta de perfuração HSK-A Holde Collet selado de borracha Porca ER-Mini Chave inglesa ER-UM Suportes de ferramentas Bucha Tipo C Suporte de ferramenta Dispositivo de bloqueio para porta-ferramentas cônicos 7/24 Suportes de moinho de face cônica MTB Morse Processo de operação do dispositivo de limpeza do suporte da ferramenta BBT ER Collet Chuck com Mini Porca ANSI B5.50 ER Collet Chuck, CURTO Máquina de encolhimento de calor removedor de lâmina quebrada Suporte de ferramenta de flange Adatper manga ER Collet Chuck, Módulo BT Shrink Fit Chuck 4.5 ° BT Slim Shrink Fit Chuck 3 ° HSK-E Shrink Chuck, 3 °, Slim, Form A HSK-E Shrink Chuck, 3 °, Slim, Forma B HSK-F Shrink Chuck, 3 °, Regular, Forma A HSK-E Shrink Chuck, 3 °, Regular, Formulário B Cabeça movida a eixo VDI, DIN 1809 Ferramentas de torneamento para externo e de frente BBT Shrink Fit Chuck 4.5 ° Produto Stucture Serviços Acessórios de suporte de ferramenta Dispositivo de limpeza do suporte da ferramenta 2025-Ferramentas CAT Porca de Collet ER COLLET CHUCK, CURTO Máquina de Encolher Fit, Refrigeração Encolher padrão ajuste Chuck 4.5 ° Produto hidráulico Chuck Cabeça chata fina Cabeça chata áspera do cortador gêmeo, SP/SC Garanhão de tração do gato Forma de suporte radial B2 esquerda, curta Ferramentas de torneamento SKT SBN para externo e de frente DIN2080 OZ Collet Chuck Cabeça chata áspera do cortador gêmeo, CC B4A Radial, Curto, Refrigerante HSK・T Ferramentas de Virada SBT para Externo e Enfrentando Suporte de ferramenta de torneamento facial BMT DIN 69893 HSK-F Boring Tool Titular Suportes de moinho MTB Morse Taper Combi Shell Porca ER-MS ER Spanner-MS Suportes de ferramentas Bucha Tipo DD Armário de suporte de ferramenta HSK-F Chuck hidráulico, padrão Dispositivo de limpeza do suporte da ferramenta ER Collet Chuck, Curto DIN 69871 ER Collet Chuck, Curto BT Shrink Fit Chuck 4.5 °, Refrigerante SK Slim Shrink Fit Chuck 3 ° HSK-F Shrink Chuck, 3 °, Slim, Form A HSK-F Shrink Chuck, 3 °, Slim, Forma B Cabeça com tração radial VDI, DIN 1809 Estrutura do produto Estrutura do produto Estrutura do produto Soluções Anti vibração Características do Chuck hidráulico 2025-HSK-A Ferramentas Chave inglesa da coleira Dispositivo de limpeza do suporte da ferramenta Produtos | Análise aprofundada de APU e suporte de ferramenta de mandril de CPU HSK-A Chuck hidráulico, padrão BBT Power Milling Chuck Suporte de ferramenta CNC ferramentas encolhimento ajuste hidráulico Chuck acabamento Ferramenta CNC BRIGHT-TOOLS OTT Puxar Stud Gancho chave inglesa Forma de suporte radial B3 invertido direito, curto DIN 69871 Power Milling Chuck Chuck de moagem de energia ANSI B5.50 DIN 69893 (ISO 12164) HSK-E Spindle Test Arbor Suportes de moinho de rosto DIN2080 B1B4A Radial, Curto, Refrigerante GER Collet Chuck Suportes de ferramentas BMT Boring Bar JIS B 6339 porta-ferramentas de perfuração de ponte Porca de GER Suportes de ferramentas Bucha Tipo Z Colete Selado ER, Rígido Suporte de ferramenta Trole TL Suporte de ferramenta Carrinho TH Extensão do suporte da ferramenta chato Suportes de ferramentas Bucha Tipo CV Suporte de ferramenta Carrinho TD Canal MQL1 Shrink Fit Chuck SK Shrink Fit Chuck 4.5 ° HSK-A Slim Shrink Fit Chuck 3 ° Cabeça movida a eixo VDI, offset, DIN 1809 Máquina Suporte de ferramenta de ajuste de encolhimento Padrão hidráulico Chuck Ferramentas 2025-HSK-T Manga de redução de barra chato Características hidráulicas do Chuck Suporte de moinho de rosto de amortecimento BRIGHT-TOOLS Shrink Fit Pacote de suporte de ferramenta CNC BRIGHT-TOOLS ISO Puxar Stud Bola chave inglesa Forma de suporte radial B4 invertida esquerda, curta Porca selada ER OZ Collet Chuck Suportes de moinho DIN2080 Combi Shell B1B4AK Radial, Curto, Refrigerante, Suportes de Fixação de Cunha HSK-E Chuck hidráulico, padrão BMT Boring Bar Titular, líquido refrigerante interno e externo MTA Straight Shank Tapping Chuck DIN 69871 Ferramenta de perfuração de ponte Holde DIN 69893 Ferramenta de perfuração de ponte Holde Redutor de suporte de ferramenta chato BBT Power Milling Chuck SK Power Milling Chuck GATO de Moagem de Energia Chuck MQL2 canal Shrink fit Chuck SK Shrink Fit Chuck 4.5 °, Refrigerante HSK-E Slim Shrink Fit Chuck 3 ° Refrigerante de extensão Chuck retrátil Cabeça movida a rádio VDI, offset, DIN 1809 Catálogo Chuck hidráulico Moagem elétrica Chuck 2025-NT Ferramentas Bucha dos suportes da ferramenta Dispositivos de limpeza do suporte da ferramenta Suporte de ferramenta de amortecimento Slim Shrink Fit Chuck, 3 ° Mazak BT Puxar Stud Forma de suporte radial B5 direita, longa TG Collet Chuck Suportes de moinho de extremidade DIN2080 Weldon B2B3A Radial, Curto, Refrigerante BBT Chuck hidráulico, padrão Ferramenta de torneamento HSK-T DCLNR | DCLNL 95 °/80 ° Cabeça chata áspera do cortador gêmeo Collet Selado ER Porca OZ BSB90 ° Boring Titular Com Bordo Quadrado TQC 45 ° Titular com Bordo Quadrado Mazak CAT Puxar Stud CAT Shrink Fit Chuck 4.5 ° Cabeça movida a eixo VDI, DIN 5480 FAQ Equipe de vendas 2025-GOST Ferramentas Dispositivo de bloqueio do suporte da ferramenta Princípio de funcionamento do suporte de ferramenta hidráulica MOD suporte de ferramenta Suporte de ferramenta de perfuração de acabamento de amortecimento integral Peças CNC BRIGHT-TOOLS Cabeça chata áspera da ponte Suporte radial formulário B6 esquerdo, longo Parafuso de precisão Collet Chuck DIN 69871 OZ Collet Chuck DIN2080 Adaptador de cone Morse com Tang B2B3AK Radial, Curto, Refrigerante, Suportes de Fixação de Cunha Extensão Slim Shrink Chuck 3 ° SK Chuck hidráulico, padrão Ferramenta de torneamento HSK-T PCLNR | PCLNL 95 °/80 ° SKS Porca Cabeça chata fina pequena NBJ20 Micro-Boring Bar BH2084 Kit de ferramentas chato DCK5-FB50P Micro-Nishing chato kit DCK6-FB50P Micro-Nishing chato kit CAT Shrink Fit Chuck 4.5 °, Refrigerante 2 peças BT Slim Shrink fit Chuck, refrigerante Cabeça com tração radial VDI, DIN 5480 HSK-A retrátil, 3 °, Regular, Refrigerante Notícias Cabeça de ângulo 2025-VDI Ferramentas JIS B 6339-BT Suporte de ferramenta Exposição de Máquinas-Ferramentas 2019 Tubo de Refrigerante HSK Características de dois corpo encolher Chuck Fit Módulo Shrink Fit Chuck Moagem elétrica Chuck Shrink Fit Chuck Acessórios para máquinas-ferramenta CNC Forma de suporte radial B7 invertido direito, longo ANSI B5.50 TG Collet Chuck DIN2080 Adaptador de cone Morse com barra de trave B5AK Radial, Longo, Refrigerante, Suportes de Fixação de Cunha Ferramenta de torneamento HSK-T DCMNN 50 °/80 °/50 ° Collet selado com batida ER Chuck hidráulico BT, Slim HSK-A Shrink Fit Chuck 4.5 ° Cabeça movida a eixo VDI, offset, DIN 5480 HSK-E retrátil, 3 °, Regular, Refrigerante HSK-F retrátil, 3 °, Regular, Refrigerante Entre em contato conosco PSC Suportes de ferramentas JIS B 6339-BBT BRIGHT-TOOLS Exposições em 2018 Anel de acionamento de embreagem Princípio de funcionamento do Chuck do ajuste do psiquiatra BBT SKS Collet Chuck Ferramenta de ajuste do psiquiatra Colete de haste reta Forma de suporte radial B8 invertida esquerda, longa ANSI B5.50 Parafuso de Precisão Collet Chuck Manga Adaptador DIN2080 Suportes de Ferramentas B6AK Radial, Longo, Refrigerante, Suportes de Fixação de Cunha Collet ER Fit Shencolher Ferramenta de torneamento HSK-T PCMNN 50 °/80 °/50 ° SK Chuck Hidráulico, Slim Moagem elétrica Chuck HSK-A Fit Shrink Chuck 4.5 °, Refrigerante Cabeça movida a rádio VDI, offset, DIN 5480 Soluções da indústria Suportes de ferramentas JIS B 6339-NBT Como testar a precisão do runout dos suportes da ferramenta Er? BRIGHT-TOOLS Exposições em 2017 Ferramentas 2025-BMT Parafuso de retenção Suportes de moinho de rosto BBT Ferramenta CNC para suportes de ferramentas Collet OZ Forma de suporte axial C1 direita DIN 69871 SKS Collet Chuck ANSI B5.50 Face Mill Titular Polegada DIN2080 Broca Chuck Adaptador B7AK Radial, Longo, Refrigerante, Suportes de Fixação de Cunha Extensão do Collet ER Fit Shrink CAT Chuck Hidráulico, Slim HSK-E Shrink Fit Chuck 4.5 ° Cabeça movida a eixo VDI, DIN 5482 Resultado da pesquisa Soluções do cliente Suportes de ferramentas DIN 69871-SK Viagem anual BRIGHT-TOOLS 2025-Ferramentas acionadas Kits de fixação 58 PCS As etapas de operação do carregamento do suporte da ferramenta de ajuste do psiquiatra são as seguintes Suportes de moinho BBT Combi Shell SKS Collet Forma de suporte axial C2 esquerda Puxar para trás Collet Chuck Suportes de moinho de rosto DIN 69871 DIN2080 Suportes de mandril de broca APU C1C4A Axial, Refrigerante Encolher Chuck Set Ferramenta de torneamento HSK-T PDJNR | PDJNL 55 °/93 ° HSK Chuck Hidráulico, Slim HSK-F Shrink Fit Chuck 4.5 ° Cabeça com tração radial VDI, DIN 5482 Sitemap BRIGHT-TOOLS 2016 Novos Produtos 2025-SHRINK Ferramentas Suportes de ferramentas DIN 69871-ISO Portador de dados Balluff CNC Shrink Fit Chuck Collet NDC Forma de suporte axial C3 invertido direito SKS Collet Chuck Suportes de moinho DIN 69871 Combi Shell Suporte de moinho de extremidade ANSI B5.50 Weldon DIN2080 Mudança Rápida Tapping Chuck C1C4AK axial, refrigerante, suportes de fixação de cunha 2 Peça Slim Encolher Chuck Corpo Ferramenta de torneamento HSK-T DDNNN 62.5 °/55 °/62.5 ° C Chuck Hidráulico, Slim Cabeça movida a eixo VDI, offset, DIN 5482 404 Suportes de ferramentas ANSI B5.50 SCAT/CAT PASSAGEM BRILHANTE-FERRAMENTAS Primavera Carrinho de suportes de ferramentas 2025-HY Ferramentas Suportes de moinho de extremidade BBT Weldon Forma de suporte axial C4 invertido para a esquerda Titular do moinho de extremidade DIN 69871 Weldon C2C3A Axial, Refrigerante 2 peça slim encolher Chuck extensão Suporte de Moinho de Rosto Polegada Suporte do moinho de extremidade ANSI B5.50 com canais de refrigerante Ferramenta de torneamento HSK-T PDNNN 62.5 °/55 °/62.5 ° Collet DC Chuck hidráulico BT, design de energia Cabeça movida a rádio VDI, offset, DIN 5482 Política de Privacidade DIN 69893 (ISO 12164) Suportes de ferramentas HSK-A BRIGHT-TOOLS Exposições em 2016 Suporte de ferramenta acionado 2025-Ferramentas Boring Suporte de moinho de rosto Adaptador de cone BBT Morse com Tang Introdução dos suportes da ferramenta do ajuste do psiquiatra Nós podemos produzir aproximadamente 30. 000-50. 000 suportes de ferramentas por mês Suporte retangular com forma de assentos múltiplos D1 DIN 69871 Suporte de ferramenta de moinho de extremidade com canais de refrigerante Adaptador de cone ANSI B5.50 Morse com Tang Encolher Chuck, 3 °, Slim, Form A Ferramenta de torneamento HSK-T DDUNR | DDUNL 93 °/55 ° Tapping Collet sem Cluth, Metric SK Chuck Hidráulico, Design de energia 2 peças SK Slim Shrink Fit Chuck Cabeça movida a eixo VDI, TOEM Submissão bem sucedida! 2025-Acessório de suporte de ferramenta Suportes de ferramentas para máquinas Suporte retangular com forma de assentos múltiplos D2 invertido Suporte de moinho Combi Shell Entalhe do suporte do moinho de extremidade DIN 69871 Manga Adaptador de Suportes de Ferramentas ANSI B5.50 DIN 69893 ER Collet Chuck com Porca de UM D1D2A Suporte Retangular, Refrigerante Encolher Chuck, 3 °, Slim, Forma B Ferramenta de torneamento HSK-T PDUNR | PDUNL 93 °/55 ° Tocando Collet sem Cluth, Inch HSK Chuck Hidráulico, Design de energia Cabeça movida a rádio VDI, TOEM Taggg Ferramentas 2025-M Suportes de ferramentas de fresagem na fabricação de dispositivos médicos: um componente vital 2025-Cortadores 2025-Anti Vibração 2025-MOD Ferramentas Manga Adaptador de Suportes de Ferramentas BBT Ferramenta CNC Moagem/Torneamento Tocando Collet com Cluth, Metric Titular chato para o formulário de broca de inserção indexável E1 DIN 69871 Adaptador de cone Morse com Tang DIN 69893 ER Collet Chuck com porca Hex ARALU CUing fora dos suportes da ferramenta, líquido refrigerante Encolher Chuck, 3 °, Regular, Forma A Adaptador de mandril de broca ANSI B5.50 Ferramenta de torneamento HSK-T DSBNR | DSBNL 90 °/75 ° Chuck hidráulico BT, curto Cabeça movida a eixo VDI, offset, TOEM Resultados da pesquisa Produtos Catálogo principal De marcenaria a metalurgia: Versatilidade dos Collet Chuck Holders Forma de suporte chato E2 DIN 69871 Adaptador de cone Morse com barra de trave Suportes de mandril de broca ANSI B5.50 APU DIN 69893 ER Collet Chuck com Mini Porca Suportes de ferramentas de corte ALARU, refrigerante Encolher Chuck, 3 °, Regular, Formulário B Suporte do moinho de extremidade Ferramenta de torneamento HSK-T PSBNR | PSBNL 90 °/75 ° SK Chuck hidráulico, curto Cabeça movida a rádio VDI, offset, TOEM Outros Resultado da Pesquisa Subclasse Catálogo Elevando eletrônicos: suportes de ferramentas de corte CNC na fabricação de PCB Suporte de ferramenta hidráulico Tocando Collet com Cluth, Inch Forma de suporte de barra chato E2S Suporte do moinho de extremidade com canais de refrigerante DIN 69871 Manga Adaptador de Suportes de Ferramentas Suportes de mandril de precisão ANSI B5.50 DIN 69893 HSK-A Power Chuck Encolher Chuck, 3 °, Regular, Refrigerante Ferramenta de torneamento HSK-T DSSNR | DSSNL 45 °/90 ° Chuck hidráulico BT, para o molde Cabeça movida a eixo VDI, HAAS PASSADO Fabricantes de suporte de ferramenta CNC: aprimorando a fabricação de dispositivos médicos com precisão e qualidade Broca de precisão BBT Chuck Holders Suportes de ferramentas de ajuste de encolhimento BRIGHT-TOOLS OZ Collet Chuck Form E3 Entalhe do apito do suporte do moinho de extremidade Chuck de batida de mudança rápida ANSI B5.50 DIN 69871 Broca Chuck Adaptador Encolher Chuck, Curvo Ferramenta de torneamento HSK-T PSSNR | PSSNL 45 °/90 ° SK Chuck hidráulico, para o molde Chuck de moagem de energia HSK Cabeça movida a rádio VDI, HAAS PASSADO Impulsionando a produtividade com a tecnologia Shrink Chuck Adaptador de cone Morse com Tang Titulares DIN 69871 APU Broca Chuck ANSI B5.50 Suporte de fresa de rosca DIN 69893 OZ Collet Chuck ER Collet Chuck Form E4 Ferramenta de torneamento HSK-T DVPNR | DVPNL 117,5 °/35 ° Chuck hidráulico HSK, para o molde Parafusos de configuração do comprimento do canal MQL1 BT encolher Chuck, curvo Cabeça movida a eixo VDI, offset, HAAS PASSADO Sobre o suporte de ferramenta hidráulica Adaptador de cone Morse com barra de trave Din 69871 Suportes de perfuração de precisão ANSI B5.50 Suporte de fresa de rosca, em linha reta DIN 69893 TG Collet Chuck Ferramenta de torneamento HSK-T DVUNR | DVUNL 93 °/35 ° SK Chuck Hidráulico, para Moer Suporte de barra chato duplo, direito Conjunto de fornecimento de refrigerante Canal MQL1 2 peças SK Slim Shrink fit Chuck, refrigerante Cabeça movida a rádio VDI, offset, HAAS PASSADO O papel das peças de encolhimento na precisão CNC Suporte de ferramenta Adaptador Manga Adaptador de Flange Ajustável BBT Runout Chuck de batida de mudança rápida DIN 69871 Adaptador de flange ajustável de fuga ANSI B5.50 DIN 69893 Parafuso de Precisão Collet Chuck Ferramenta de torneamento HSK-T DVVNN 72.5 °/35 °/72.5 ° Cabeça movida a BMT, DIN 1809 MTB Chuck Hidráulico Suporte de barra chato duplo, esquerdo Parafusos de configuração do comprimento do canal MQL2 Shrink Chucks em usinagem de alto desempenho Formulário F do adaptador de cone de Morse Adaptador de mandril de broca DIN 69871 Suporte de fresa de rosca Suportes de ferramentas ajustáveis ANSI B5.50 UM DIN 69893 puxar para trás Collet Chuck Ferramenta de torneamento HSK-T DWLNR | DWLNL 95 °/80 ° Cabeça impulsionada por VDI, DIN 1809 Conjunto de fornecimento de refrigerante de canal MQL2 Chuck hidráulico, módulo HSK-A encolher Chuck, curvo Explorando as vantagens de Shrink Chucks Suporte de mandril de broca APU O que é os titulares da ferramenta de encolhimento? Forma retangular em branco A1 DIN 69871 Suporte de fresa de rosca, reto ANSI B5.50 Ferramenta de alinhamento para o braço ATC DIN 69893 SKS Collet Chuck Ferramenta de torneamento HSK-T PWLNR | PWLNL 95 °/80 ° Cabeça impulsionada por VDI, DIN 5480 Colete hidráulico, selado Shrink Fit Chuck, Módulo HSK-E encolher Chuck, curvo Encolhendo para o sucesso: encolhem os caminhões na fabricação aeroespacial Broca de precisão Chuck Titular Inspeção de precisão do suporte de ferramenta termoencolhível Formulário redondo em branco A2 Adaptador de flange ajustável DIN 69871 Runout ANSI B5.50 Bar chato em branco Suporte para moinho de rosto DIN 69893 Collet selado hidráulico Cabeça impulsionada por VDI, DIN 5482 HSK-F encolher Chuck, curvo Além das tolerâncias apertadas: Shrink Fit Collets em Engenharia Aeroespacial BBT Spindle Teste Arbor Suporte de ferramenta de ajuste de encolhimento Suportes de ferramentas de corte altura direita ajustável Chuck de batida de mudança rápida DIN 69871 Suportes de ferramentas ajustáveis UM ANSI B5.50 Teste de Eixo Arbor Suportes de moinho de rosto DIN 69893 Ferramenta de torneamento HSK-T DDQNR | DDQNL 107,5 °/55 °, longo Cabeça impulsionada por VDI, TOEM BARUFFALDI Collet hidráulico com canais de refrigerante Coletes encolhíveis: revolucionando a precisão da produção automotiva Suporte de cortador de fresagem parafuso-in Suportes de ferramentas para encolhimento, Suportes de ferramentas de corte Altura esquerda ajustável DIN 69871 Bar chato em branco Suportes de moinho DIN 69893 Combi Shell Ferramenta de torneamento HSK-T PDQNR | PDQNL 107,5 °/55 °, longo Cabeça movida a VDI, HAAS PASSADA ANSI B5.50 Ferramenta de alinhamento para o braço ATC Coletes de ajuste de encolhimento: revolucionando a usinagem de precisão Suporte de ferramenta hidráulico Chuck Titulares de ferramentas de corte, altura direita invertida ajustável DIN 69871 Spindle Test Arbor Titular do moinho de extremidade DIN 69893 Weldon Parafuso-em suportes do cortador de moagem, em linha reta Ferramenta de torneamento HSK-T SCLCR | SCLCL 95 °/80 ° 2 Peça HSK-A Slim Shrink Fit Chuck Coletes de ajuste de encolhimento em construção e infraestrutura Adaptador de flange ajustável Runout Ferramenta de ajuste do psiquiatra segurando Suportes de ferramentas de corte invertidos altura esquerda ajustável DIN 69871 Ferramenta de alinhamento para o braço ATC Suporte de moinho de extremidade DIN 69893 com canais de refrigerante Ferramenta de torneamento HSK-T SCMCN 50 °/80 °/50 ° UM Ajustável Entalhe do suporte do moinho de extremidade DIN 69893 Ferramenta de torneamento HSK-T SDHCR | SDHCL 107,5 °/55 ° Ferramenta de alinhamento SK para o braço ATC Classificação de suportes de ferramentas termoencolhíveis Balanceamento dinâmico de inspeção CMM Formulário de proteção Plug Z2 Ferramenta de alinhamento para o braço ATC Ferramenta de torneamento HSK-T SDNCN 62.5 °/55 °/62.5 ° Chuck hidráulico, módulo IMTS 2024 Bar chato em branco DIN 69893 Adaptador de cone Morse com barra de trave Ferramenta de torneamento HSK-T SDJCR | SDJCL 93 °/55 ° Shrink Fit Chuck Princípio e vantagens dos suportes de ferramentas de encolhimento de calor Teste de eixo Arbor DIN 69893 Manga Adaptador de Suportes de Ferramentas Ferramenta de torneamento HSK-T SDUCR | SDUCL 93 °/55 ° Chuck hidráulico Desempenho e aplicação de suportes hidráulicos DIN 69893 APU furadeira chuck titulares Ferramenta de torneamento HSK-T SSBCR | SSBCL 75 °/90 ° Ferramenta de alinhamento BT para o braço ATC Chuck Collet ER Características e tipos de suportes de ferramentas BMT de ferramentas BRIGHT O processo de usinagem do suporte de ferramenta hidráulica Din 69893 Suportes de perfuração de precisão Ferramenta de torneamento HSK-T SSSCR | SSSCL 45 °/90 ° 2 Peças HSK-A Slim Shrink Fit Chuck, Refrigerante Dispositivo de limpeza do suporte da ferramenta Suporte do moinho de extremidade Centro de torneamento e suportes de ferramentas acionados Como é o suporte de ferramenta conduzido de alto desempenho Chuck Collet ER BRIGHT-TOOLS Shrink Fit Chuck Chuck de batida de mudança rápida DIN 69893 Ferramenta de torneamento HSK-T SVPBR | SVPBL | SVPCR | SVPCL 117,5 °/35 ° Suporte de ferramenta Princípio de funcionamento do suporte de ferramenta HSK E50 Tipos de suportes de ferramentas HSK Suporte de ferramenta Adatper manga Collet ER DIN 69893 Suporte de fresa de rosca Ferramenta de torneamento HSK-T SVUBR | SVUBL | SVUCR | SVUCL 93 °/35 ° Análise de Vantagens e Aplicações de Chucks de Moagem de Energia Encolher máquinas de ajuste Como os titulares de ferramentas ER são processados e usados? DIN 69893 Suporte de fresa de rosca, em linha reta Ferramenta de torneamento HSK-T SVVBN | SVVCN 72,5 °/35 °/72,5 ° Vantagens e aplicações de Shrink Fit Coletar Adaptador de Flange Ajustável Runout DIN 69893 Ferramenta de torneamento HSK-T SVJBR | SVJBL | SVJCR | SVJCL 93 °/35 ° Características e funções dos detentores de ferramentas acionados que os iniciantes precisam saber DIN 69893 UM Suporte de ferramenta ajustável Ferramenta de torneamento HSK-T longa SDQCR | SDQCL 107,5 °/55 ° Quais são as características do Chuck hidráulico? Como funciona o Princípio da Operação do Chuck Hidráulico? Ferramenta de alinhamento DIN 69893 para o braço ATC Ferramenta de torneamento HSK-T SVQCR longo | SVQCL 107,5 °/55 ° Os tabus de aplicação da instalação de collet hidráulico DIN 69893 Bar chato em branco 2 Peça HSK-E Slim Shrink Fit Chuck O que são os titulares da ferramenta Shrink Fit? DIN 69893 Spindle Test Arbor 2 Peça HSK-F Slim Shrink Fit Chuck Design inovador e aplicação de suportes de ferramentas de encolhimento de calor Aplicação de suportes de encolhimento de calor na usinagem de moldes Selecionando o suporte CNC DIN 69893 (ISO 12164) Suportes de ferramentas HSK-E Vantagens de usar suportes de ferramentas VDI em torneamento CNC Suporte de ferramenta de usinagem CNC hidráulico Chuck DIN 69893 (ISO 12164) Suportes de ferramentas HSK-F Cenários de Aplicação de Suportes Hidráulicos DIN69893 (ISO12164-1)-Suportes de ferramentas HSK-T Resumo dos pontos de conhecimento sobre os suportes hidráulicos Encolher Fit Chuck BRIGHT-FERRAMENTAS Suportes de ferramentas DIN2080-NT Suporte hidráulico: uma ferramenta de alta precisão para fabricação BRIGHT-TOOLS Shrink Fit Collet Suporte de ferramenta para centro de máquina CNC GOST 25827-93 Suportes de ferramentas Conhecimento relacionado aos titulares CNC Moagem hidráulica Chuck Comparação do desempenho de diferentes tipos de suportes de ferramentas Shrink Fit Chuck Você sabe como são as alças da ferramenta de encolhimento de calor? GOST 25827-93 ER Collet Chuck Projeto estrutural do suporte de ferramenta BBT e sua aplicação em máquinas-ferramentas CNC GOST 25827-93 Power Milling Chuck Operação segura e procedimentos de manutenção para o suporte da ferramenta de encolhimento de calor GOST Power Milling Chuck Diferença e análise de aplicação do suporte da ferramenta de fiação e suporte hidráulico Quais são as classificações de suportes de ferramentas termoencolhíveis? A diferença entre os suportes de ferramentas BT e BBT Classificação de mandril de ajuste de encolhimento de suportes de ferramentas encolhíveis de calor Suportes de moinho de rosto GOST 25827-93 Princípio de funcionamento e operação segura do suporte hidráulico Suportes de moinho GOST 25827-93 Combi Shell Princípio e vantagens dos suportes de ferramentas de encolhimento de calor DIN 69893 (ISO 12164) HSK-F ER Collet Chuck GOST 25827-93 Titulares do moinho de extremidade Weldon Como garantir a segurança do processamento ao usar um suporte de ferramenta HSK? DIN 69893 (ISO 12164) HSK-F OZ Collet Chuck GOST 25827-93 Adaptador de cone Morse com Tang Estrutura e vantagens dos suportes de ferramentas HSK DIN 69893 (ISO 12164) Suportes de moinho de face HSK-F GOST 25827-93 Adaptador de Taper Morse com Drawbar Suporte de ferramenta HSK: a arma secreta para usinagem eficiente DIN 69893 (ISO 12164) HSK-F suportes de moinho de extremidade Weldon GOST 25827-93 Suportes de mandril de broca APU Qual é o comprimento mínimo de fixação dos suportes de ferramentas de encolhimento de calor? Suportes de ferramentas de mandril de encolhimento Acessórios de ferramentas de máquina DIN 69893 (ISO 12164) HSK-F adaptador de cone Morse com Tang GOST 25827-93 Mudança Rápida Tapping Chuck Função e importância do suporte de ferramentas VDI Como funcionam os suportes de ferramentas de encolhimento de calor? DIN 69893 (ISO 12164) Suportes de broca de HSK-F precisão Suporte de ferramenta hidráulico: uma excelente escolha para usinagem de alta precisão DIN 69893 (ISO 12164) Barra chata HSK-F em branco Bright-Tools: Um líder na fabricação do suporte de ferramentas DIN 69893 (ISO 12164) HSK-F Spindle Test Arbor Padrão e função dos tubos de refrigerante HSK CIMT2025 CHINA MOSTRA DE MÁQUINAS INTERNACIONAIS Diferenças entre o suporte BT e o suporte da ferramenta SK Vantagens e princípios do suporte da ferramenta de encolhimento de calor Características e vantagens do suporte da ferramenta SK Suporte de ferramenta DIN 69880 VDI: a escolha ideal para usinagem de alta precisão Suporte de ferramenta HSK Design vs DIN 69871 Suporte de ferramenta: Qual é a diferença real? Estande EMO 2025 N ° Hall4, D58 Como os caminhões hidráulicos funcionam para tornar sua vida CNC mais fácil Como identificar diferentes tipos de suporte de ferramenta HSK para aplicações CNC Serviços
Brilhante-ferramentas, brilhante-futuro
Skype: :
Sdjinjie101
Endereço :
253000, Chongde 5th Avenue, Gaotie New District, Dezhou, Shandong, China.